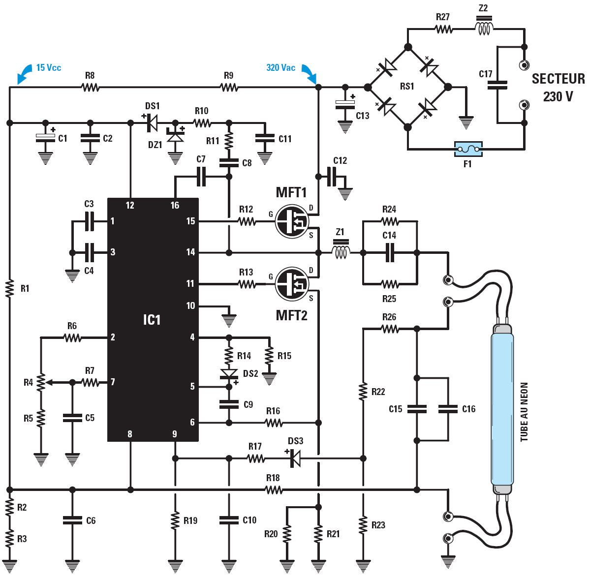
Schema variateur neon ?
Suite à la demande de Matys : Schema variateur neon les membres du site ont soumis les ressources et images présentes ci-dessous. Après avoir été soumise au vote, voici la photo plébiscitée par la communautée en 2026 pour Schema variateur neon.
Est-ce que cette photo/ressource correspond à votre attente pour Schema variateur neon? si oui votez pour elle pour la faire monter dans le classement.
Les membres ont également proposés pour Schema variateur neon :
Signaler ces ressources Proposer une ressource
Les ressources/photos/images/vidéos (en relation avec Schema variateur neon) présentes ci-dessus, ont été proposées par les membres du site. Pour nous signaler tout problème avec ce contenu, n'hésitez pas à nous contacter. Si vous êtes le propriétaire de l'un des contenus proposé par nos membres, présent sur cette page, et que vous désirez qu'il soit retiré de notre site, merci de nous le signaler par mail.
